- Регистрация
- 27 Янв 2011
- Сообщения
- 1,261
- Реакции
- 124
- Баллы
- 0
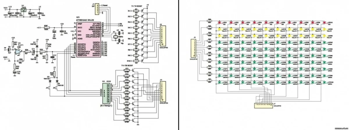
Санёк, красавчик!!! Очень рад что ты начал делать такой усилок. у меня вот тоже уже давно в голове созревает проект такого усилка. Хоть у меня есть и хороший усилок SONY на 70 Ват ( ещё тот японец), качеством очень доволен. Но всё же хочу сделать свой, самодельный. Корпус и транс хочу взять от ВЕГА- 50 У -122 С. Там транс вроде мощный. А основной усилок сделать на 7294. Ну и добавить там индикаторы выходного уровня и спектроанализатор, для красоты (как у тебя). Правда, не знаю когда руки дойдут до этого- целыми днями на работе. разве что на выходных.... УДАЧНОГО КОНСТРУИРОВАНИЯ !!!!


